品质成就优秀——洲其电气
0755 26016618
推荐产品
Recommended products
Product center
产品中心
光纤传感器

光纤传感器

0.00
0.00
  

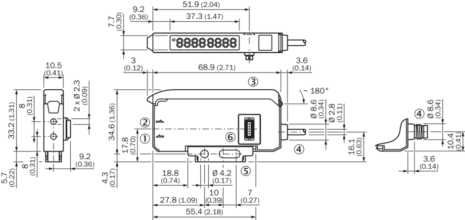
类型:GLL170T-B432

光纤传感器 GLL170

最大开关距离: 0 ... 1320 mm

输入: 示教输入端

开关量输出数量: 1

开关类型: 明/暗切换

连接类型: 电缆 4针

外壳防护等级: IP66

设置: 示教按键, 电缆

技术图纸: